一体化净水设备集絮凝,沉淀,排污,反冲洗,集水过滤等工艺中的精华之大成,无需人员操作而能达到单体全自动运行的系列净水装置,是实现水厂自动化管理的重要单元,再配以本公司生产的JY型自动加药装置及消毒 设备,即可成为一个具有全套功能的净水站(厂)。
一、工作原理
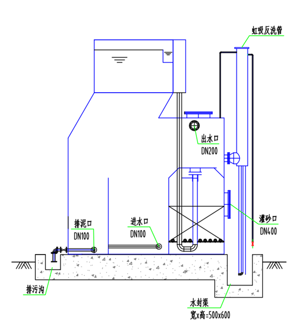
一体化净水器设备:由混凝池、沉淀池、过滤池、水质稳定加药装置、反冲洗装置、水泵及电气控制柜组成。
1、混凝池:采用WTH管道静态混合器,通过水力自动混合混凝剂。投加混凝剂的原水由进水管进入混凝池内,用特制的涡流反应和混凝剂混合,使水中的悬浮物和混凝剂充分接触反应形成矾花。一般净水装置是采用涡流反应来使水和混凝剂混和,但效果受水量的变化而不稳定。也可用特制的搅拌机搅动,使水中的悬浮物和混凝剂充分接触反应形成矾花,不受水量变化而影响效果。
2、沉淀池:水经加混凝剂混凝后形成矾花,流到设备的沉淀池内经行沉淀,沉淀池采用斜管沉淀法,表面负荷为7-8m³/㎡.h。经过梯形斜板沉淀室沉淀完成固液分离,沉淀下来的污泥排入泥斗
3、过滤池:经沉淀后的水流到过滤池过滤,滤池结构底部为布水管,中部为石英砂,上部为白煤。过滤速度为7~10m/h,冲洗强度14~16L/㎡.s,最后清水流到清水池内消毒处理后饮用。过滤池反冲周期为12小时左右,反冲洗时间为5-10分钟。过滤部分采用聚苯乙烯滤珠球过滤。

二、性能优点
一体化净水器设备
1. 净水装置本身从反应、絮凝沉淀、集水、配水、过滤、体内反洗、排泥等一系列运行程序,均达到了全自动运行的效果,值班人员只要定时作水质监视外,无需对净水装置操作管理。
2. 高浓度絮凝层,能使原水中的杂质颗粒在其间得到充分的碰撞接触,吸附的机率增大,因而能适应各种原水的水温和浊度,杂质颗粒去除率高,在投加除藻剂的条件下,除藻功能良好。
3. 迅捷的泥渣浓缩室及可调式自动排泥系统,能保证多余的泥渣及时排除,从而保证稳定的杂质颗粒去除率。
4. 高效的絮凝及沉淀效果,使沉淀出水水质一直保持良好的状态。
5. 新颖的集水系统及最省的集水水头,使集水更为均匀有效,不仅提高了体积利用率系数,而且其集水水头极小。
6. 净水系统自动化,即保证了净水系统的高效过滤(在原水浊度小于3000mg/L时,滤后水浊度可保持在5mg/L左右),又能自动反冲,无需另设反冲洗水泵或空压机等电气设备,而且节省大量基建投资及日常运行、维护、维修、保养费用,使用寿命长。
一体化净水器设备

7. 设备自耗水率低(约在3%左右),对节省宝贵的水资源起着积极作用。
8. 占地面积小,与一般净水构筑物相比,可节省占地面积50%以上,高度在4.35米左右,室内外均可安置。
9. 便于扩建、改造、搬迁或移地再用。
10. 基建工期短,为常规的澄清过滤设施施工周期的四分之一。
11. 净水出口高度≥2m,清水池可建半地上式,清水泵为自灌式吸水,同时运行更为可靠。
三、构造及材料
1.一体化净水装置
一体化净水装置包含全部的主材核附和材料(净水器主体、斜板、滤料、排泥系统、出水系统、巡检通道、进出水阀门等)。
2.原水管式过滤器
原水管式过滤器2套,分别安装于两个净水器的进水支管上。
3.管式静态混合器
静态混合器结构简单,占地面积小。采用玻璃钢材质,具有加工方便、坚固耐用、耐腐蚀,采用国外先进技术,混合效果好,水头损失小;串接在输送管道中,不另占地,节约工程用地面积;无运动件,各元件仅有水力磨损,寿命长,无需维护。混合器管径按经济流速进行选择,一般按0.9-1.2m/s计算;管径大于500mm的最大流速可达1.5m/s计算。有条件时,将管径放大50-100mm,以便减少水头损失。混合器节数基本组合按三节考虑,水头损失约0.4-0.8m。也可根据混合介质的情况增减节数。混合器管内水压按0.1kg/c㎡考虑,也可根据实际压力进行设备加工。
一体化净水器设备

4.加药系统
加药装置采用计量泵或流量计加混凝剂和助凝剂。用于碱式氯化铝投加,并带有自冲洗装置。溶解罐为机械搅拌,储药容积至少可用18h,含阀门及电气控制设备。每套加药装置都单独的组装在各自组合架上,使加药泵、溶药箱、缓冲器、过滤器、管道、阀门等构成一个独立的整体。加药设备的主要材料采用钢制复合玻璃钢等材质。设备采用电弧(氩弧焊)焊接,在检查焊缝无质量问题的情况下;进行设备内外去渣抛光;进行水压试验无渗漏条件下;在工厂内经行外观检验、水压试验、现场验收试验和必要的耐腐蚀试验,并能在一定的超负荷状态下使用良好。
5.消毒系统
采用计量泵投加,考虑前后加药,用漂白精(或 漂白粉)投加,并带有自冲洗装置。溶解罐为机械搅拌,储药容积至少可用18h,含阀门及电气控制设备。
6.反冲洗系统
反冲洗系统包括水泵、气泵、阀门及电气控制设备等全套设备。采用双环形多喷口旋转式冲洗系统,冲洗效果好,耗水量低。
四、适用范围
一体化净水设备
1、适用于水浊度小于3000mg/L的各类江,河,湖,水库等为水源的农村,城镇,工矿企业的水厂,作为主要的净水处理装置。
2、对于低温,低浊,有季节性藻类的湖泊水源,有其特殊的适应能力。
3、对高纯水,饮料工业用水,锅炉用水等作前置水处理的预处理设备。
4、用于各类工业循环水系统,可有效而大幅度的提高循环用水水质。
一体化净水器适用于江、河、湖、水库等以地表水为水源的给水工程的水质净水,中水回用、及煤矿尾矿水、洗煤水、浴池、游泳池、洗车场、造纸、印染、电镀和其它工业废水的水质净化。

五、性能优点
1、除了对一级泵房及加药系统的管理外,净水装置本身从反应、絮凝、沉淀、集泥、排泥、集水、配水、过滤、反冲、排污等一系列运行程序,达到了自动运行的要求,值班人员只要定时作水质监视测定工作外,无需对净水装置操作管理。
2、高浓度的絮凝层,能使原水中的杂质颗粒,在其间得到充分的碰撞接触,吸附的机率,因而能适应各种原水的水温和浊度,杂质颗粒去除率高。在一定使用条件时,还具有除藻功能。
3、迅捷的泥渣浓缩室及可调式自动排泥系统,能保证多余的泥渣杂质及时排除,从而保证稳定的杂质颗粒去除率。
4、高效的絮凝及沉淀效果,使沉淀出水水质一直保持良好状态。
5、新颖的集水系统及最低的集水水头,使集水更均匀有效,不仅提高了体积利用系数,因其集水水头极小,累积的省电效果可观。
6、净水系统自动化,既保证了净水系统的高效过滤,(在原水浊度小于3000mg/L,滤后水浊度可保持在3 mg/L以下)又能自动反冲洗,无需另设反冲洗水泵或空压机等电器设备,可节省大量的基建投资及日常运行、维修、保养费用。
7、自耗水率低约在<5%左右,对节省有限的水资源起着积极的作用。
8、占地面积小,与一般净水构筑物相比,可节省占地<50%以上,高度在4.10米左右,室内外均可安置。
9、便于扩建、改造、再用,便于搬迁或易地再用。
一体化净水器集絮凝,沉淀,排污,反冲洗,重力过滤等工艺中的精华之大成,无需人员操作而能达到单体全自动运行的系列净水装置,是实现水厂自动化管理的重要单元,再配以本公司生产的JY型自动加药装置及消毒设备,即可成为一个具有全套功能的净水站(厂)。
本系列净水装置,不仅使用范围广,处理效果好,出水水质优良,而且耗水量少,动力消耗省,占地闽籍小,节电,节水,节人工,可省去辅助机泵及设施的新型节能新产品。



